TTS Moduł 3: Różnice pomiędzy wersjami
Nie podano opisu zmian |
Nie podano opisu zmian |
||
| Linia 422: | Linia 422: | ||
<hr width="100%"> | <hr width="100%"> | ||
= Pytania sprawdzające = | |||
(jeśli potrafisz na nie odpowiedzieć, to znaczy, że opanowałeś/aś materiał wykładu) | |||
#Wymień i scharakteryzuj najważniejsze parametry prowadnicy falowej. | |||
#Przypomnij sobie jakie mody mogą rozchodzić się w falowodach i scharakteryzuj je. | |||
#Co to jest dyspersja, w jakich warunkach i dlaczego dyspersja utrudnia transmisję sygnału. | |||
#Przeanalizuj przyczyny powstawania strat przy transmisji mocy prowadnicami falowymi. | |||
#Na czym polega efekt naskórkowości? | |||
#Opisz kolejno prowadnice typu TEM. | |||
#Narysuj konfigurację pól E i H dla modu podstawowego i naszkicuj kierunki przepływu prądów w ściankach falowodu prostokątnego. | |||
#Dlaczego nie stosujemy falowodów prostokątnych, dla których stosunek a/b=1? | |||
#W jakim pasmie częstotliwości może pracować falowód prostokątny? | |||
#W jakim pasmie może pracować falowód cylindryczny? | |||
#Jak uzasadnisz fakt, że obwodem zastępczym odcinka falowodu prostokątnego jest odcinek linii dwuprzewodowej? | |||
#Jak zbudowana jest i jakie ma właściwości prowadnica mikropaskowa? | |||
#Jak zbudowana jest i jakie ma właściwości linia koplanarna? | |||
#Jakie są obszary zastosowań linii współosiowej, linii mikropaskowej i falowodu prostokątnego? Aby to uzasadnić porównaj parametry wymienionych typów prowadnic. | |||
#Wymień argumenty przemawiające za rozwojem technologii i konstrukcji Mikrofalowych Monolitycznych Układów Scalonych na krzemie i arsenku galu. | |||
= Słownik = | |||
'''Częstotliwość graniczna''' - częstotliwość powyżej której może się propagować fala w falowodzie. Poniżej tej częstotliwości fala jest silnie tłumiona. | |||
'''Zestawienie typów fal:''' | |||
*Fala typu TEM - wektory pola E i H leżą w płaszczyźnie prostopadłej do kierunku propagacji. | |||
*Fala typu TE (zwana też H) - pole E posiada składowe tylko w płaszczyźnie prostopadłej do kierunku propagacji. Pole H posiada składowe w kierunku propagacji fali. | |||
*Fala typu TM (zwana też E) - pole H posiada składowe tylko w płaszczyźnie prostopadłej do kierunku propagacji. Pole E posiada składowe w kierunku propagacji fali. | |||
*Fala typu EH - zarówno pole E jak i pole H tej fali posiadają składowe w kierunku propagacji. | |||
'''Linie TEM:''' | |||
*Linia współosiowa. | |||
*Linia dwuprzewodowa. | |||
*Symetryczna linia paskowa. | |||
'''Linie Quasi-TEM:''' | |||
*Niesymetryczna linia paskowa: | |||
*Linia koplanarna (falowód koplanarny). | |||
*Linia koplanarna paskowa. | |||
'''Linie falowodowe:''' | |||
*Falowód prostokątny. Mod podstawowy typu TE10 (H10). | |||
*Falowód kołowy (cylindryczny). Mod podstawowy typu TE11 (H11). | |||
'''Mod (rodzaj) podstawowy''' dla danego falowodu - to mod fali o najmniejszej | |||
= Bibliografia = | |||
#Bogdan Galwas. Miernictwo mikrofalowe, Wydawnictwa Komunikacji i Łączności, Warszawa, 1985, Rozdział 1, 2 i 3. | |||
#Tadeusz Morawski, Wojciech Gwarek. Pola i fale elektromagnetyczne, Wydawnictwa Naukowo-Techniczne, Warszawa, 1998, Rozdział 1 do 8. | |||
#Janusz Dobrowolski. Technika wielkich częstotliwości, Oficyna Wydawnicza Politechniki Warszawskiej, Warszawa, 1998 Rozdział 1 i 3. | |||
#Stanisław Rosłoniec. Liniowe obwody mikrofalowe, Wydawnictwa Komunikacji i Łączności, Warszawa, 1999, Rozdział 2. | |||
Wersja z 09:03, 19 gru 2006
Wykład
- PROWADNICE TEM
- Właściwości prowadnic TEM
Można wykazać, że zależności pól w prowadnicy TEM od zmiennej z są identyczne jak dla fali płaskiej w przestrzeni nieograniczonej. Podobnie możemy uzyskać równanie falowe określające wektory lub w postaci. Oznacza to, że wektory pól i są do siebie prostopadłe i prostopadłe do kierunku propagacji .
(3-1)
Dodatkowo, relacje między wektorami pól elektrycznego i magnetycznego obowiązują dla prowadnic TEM, czyli
(3-2)
oraz spełniona jest poniższa relacja
(3-3)
Zasadnicza różnica między cechami pół fali płaskiej w ośrodku nieograniczonym i pól w linii TEM jest związana z tym, że pola w ośrodku nieograniczonym nie zależą od zmiennych w płaszczyźnie prostopadłej do kierunku rozchodzenia się fali, natomiast w prowadnicy TEM, w której muszą być spełnione określone warunki brzegowe na powierzchni przewodników linii, pola na ogół zależą od tych zmiennych.
Warto zapamiętać, że prowadnicę falową charakteryzują dwa parametry: współczynnik propagacji oraz impedancja charakterystyczna . Pierwszy z tych parametrów jest wielkością polową, której obliczenie wiąże się w ogólności z rozwiązaniem równań Maxwella. Drugi jest wielkością obwodową, wyznaczaną z zastosowaniem definicji (3-4):
(3-4)
w której i są amplitudami napięcia i prądu fali poruszającej się w jedną stronę.
Definicja jest przydatna przy analizie obwodów zawierających prowadnice falowe i elementy reprezentowane przez układy zastępcze o stałych skupionych.
- Linia współosiowa
Najpopularniejszą prowadnicą w rodzinie TEM jest linia współosiowa o promieniach i (), w której przestrzeń między przewodem wewnętrznym i zewnętrznym wypełniona jest małostratnym dielektrykiem o przenikalności względnej – rys.3.1. Impedancja charakterystyczna linii współosiowej obliczana jest z zależności:
(3-5)
| Rys.3.1. Przekrój poprzeczny
linii współosiowej . |
|
|---|
Zależność (3-5) wskazuje, że impedancja charakterystyczna linii współosiowej zależy od stosunku promieni przewodów i właściwości ośrodka wypełniającego prowadnicę.
Linia współosiowa, albo koncentryczna jest szeroko stosowana w systemach pomiarowych, a rozpowszechnionym w aparaturze standardem jest linia o impedancji . Linie współosiowe pracują do 60 GHz.
Tłumienie linii współosiowej jest najmniejsze dla , ten standard przyjęto w telekomunikacji (m.in. sieci telewizji kablowej).
- Linia dwuprzewodowa
Na rys.3.2 przedstawiono strukturę innej linii TEM, a mianowicie linii dwuprzewodowej. Przewody zanurzone są w dielektryku o przenikalności . Polowe wielkości charakteryzujące falę TEM dla tej prowadnicy są identyczne jak dla linii współosiowej. Impedancję charakterystyczną linii dwuprzewodowej określa zależność:
(3-6)
Linia dwuprzewodowa jest z historycznego punktu widzenia pierwszą linią długą, dla której znaleziono rozwiązanie falowe. Stosowana jest jeszcze w sieciach telewizyjnych i telefonicznych w postaci tzw. skrętki.
![]() |
| |
|---|---|---|
| Rys.3.2. Przekroje poprzeczne przykładowych prowadnic TEM:
linii dwuprzewodowej (a) i symetrycznej linii paskowej (b). | ||
- Symetryczna linia paskowa
Strukturę symetrycznej linii paskowej pokazano na rys.3.2b. Impedancję charakterystyczną tej linii oblicza się ze wzoru:
(3-7)
Symetryczna linia paskowa stosowana w konstrukcjach niektórych przyrządów, jak sprzęgacze, filtry, itp..
- FALOWÓD PROSTOKĄTNY
Zgodnie z pokazaną na rys.3.3 strukturą falowód prostokątny jest prowadnicą falową, w której nie występują dwa niezależne przewody, a więc nie może się rozchodzić fala elektromagnetyczna typu TEM.
Mogą natomiast, przy spełnieniu pewnych warunków rozchodzić mody TE (E) lub TM (H). Dla każdego z modów konfiguracja pól E i H jest inna. Można udowodnić, że dla każdego modu można określić częstotliwość graniczną, poniżej której dany mod nie może zostać wzbudzony.
| Rys.3.3 Struktura i wymiary
falowodu prostokątnego |
|
|---|
Każdy z modów określony jest wskaźnikami „m” i „n”. Wartość częstotliwości granicznej zależy od wartości „m” i „n”, od rozmiarów a i b falowodu, oraz od wartości przenikalności elektrycznej materiału wypełniającego falowód. W miarę wzrostu częstotliwości wzbudzają się kolejne mody i . Mod o najniższej częstotliwości granicznej nazywany jest podstawowym. Modem podstawowym w falowodzie prostokątnym jest TE10. Dla niego wartość długości fali granicznej (jest to długość fali w wolnej przestrzeni dla częstotliwości granicznej) wynosi:
(3-8)
W Tabeli 3.1 zestawiono wartości częstotliwości granicznych dla kilku pierwszych modów, dla falowodu skonstruowanego do pracy w pasmie , bez wypełnienia dielektrykiem.
Tabela 3.1: Pierwsze mody falowodu na pasmo X, o wymiarach: , .
| MOD | ||||
|---|---|---|---|---|
| Częstotliwość graniczna |
Rozkład pola elektrycznego i magnetycznego dla modu pokazano na rys.3.4.
| Rys.3.4. Linie sił pola elektrycznego E
i magnetycznego H dla modu podstawowego |
|
|---|
Pasmo pracy falowodu prostokątnego zawiera się między częstotliwością graniczą modu podstawowego i częstotliwością graniczną kolejnego modu, z pewnymi marginesami.
Prędkości: fazowa i grupowa oraz długość fali są, dla tej samej różne i różne dla różnych modów. Oznaczamy: prędkość i długość dla fali płaskiej w wolnej przestrzeni wypełnionej ośrodkiem o i .
(3-9)
Dla falowodów prędkość fazowa i długość fali w falowodzie opisują następujące zależności:
(3-10)
Długość fali w falowodzie jest większa, niż w wolnej przestrzeni i gdy częstotliwość zbliża się do częstotliwości granicznej długość fali rośnie do nieskończoności.
(3-11)
Między prędkościami fazową i grupową istnieje związek (3-12):
(3-12)
Na rys.3.5 pokazano zależności i . Gdy częstotliwość zbliża się do wartości granicznej, to prędkość fazowa rośnie do nieskończoności, prędkość grupowa maleje do zera i ustaje przepływ energii. Poniżej częstotliwości granicznej dany mod nie może zostać wzbudzony.
| Rys.3.5. Prędkości fazowa
i grupowa w falowodzie |
|
|---|
Straty mocy w ściankach metalowych powodują, że falowody wykazują stosunkowo duże tłumienie mocy sygnału. Aby je zmniejszyć falowody prostokątne wykonywane są z miedzi, mosiądzu, aluminium, często są srebrzone i złocone.
- FALOWÓD CYLINDRYCZNY
Falowód cylindryczny jest metalową rurą, najczęściej powietrzną, co pokazuje rys.3.6a. W falowodzie cylindrycznym można także wzbudzić nieskończenie wiele modów i .
Wartość częstotliwości granicznej związana jest z wartościami:
- dla modów z m-tym pierwiastkiem funkcji Bessela ,
- dla modów z m-tym pierwiastkiem pochodnych tych funkcji .
Obecność funkcji Bessela wynika z rozwiązania równań Maxwella dla falowodu cylindrycznego.
Modem podstawowym falowodu cylindrycznego jest mod . Długość fali odpowiadającej częstotliwości granicznej dla tego modu równa jest:
(3-13)
![]() |
| |
|---|---|---|
| Rys.3.6. Falowód cylindryczny. a) Wymiary falowodu cylindrycznego.
b) Oś z częstotliwościami kolejnych modów. | ||
Kolejny mod, który się wzbudzi, to , a następnie . tak więc pasmo pracy falowodu cylindrycznego jest niewielkie, co ogranicza zakres zastosowań. Falowody te stosowane są w konstrukcjach niektórych rezonatorów i filtrów, ze względu na ich duże dobrocie (będzie o tym mowa w jednym z dalszych wykładów).
- PROWADNICE MIKROFALOWYCH UKŁADÓW SCALONYCH
- Linia mikropaskowa
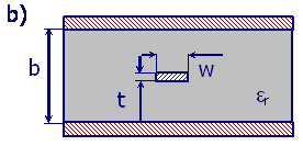
Rozwój technologii układów scalonych, planarnych z samej natury, zmusił konstruktorów do opracowania nowej rodziny prowadnic falowych, które można stosować zarówno w hybrydowych jak i monolitycznych układach scalonych. Najpopularniejszym rozwiązaniem jest linia mikropaskowa, której strukturę pokazano na rys.3.7a. Płaska, o odpowiednio dobranej grubości h warstwa dielektryka pokrywana jest obustronnie metalem. Warstwa metalizacji jest z jednej strony pozostawiona w całości, natomiast z drugiej strony pozostawione są tylko wąskie ścieżki metalizacji o odpowiednio dobranej szerokości .
Linia mikropaskowa nazywana jest linią quasi-TEM, ponieważ fala EM porusza się w ośrodkach o 2 różnych prędkościach. Linia wykazują niewielka dyspersję.
![]() |
|
|---|---|
| Rys.3.7. Prowadnice planarne.
a) Linia mikropaskowa b). Linia koplanarna c). Linia paskowa koplanarna. |
|
Impedancja charakterystyczna linii mikropaskowej jest funkcją grubości warstwy , szerokości paska metalizacji w oraz przenikalności elektrycznej dielektryka oddzielającego pasek od metalizacji „ziemi”.
Do zależności na prędkość i długość fali wprowadza się efektywną przenikalność , której wartość leży między podłoża a powietrza. Odpowiednie zależności można znaleźć w dostępnej literaturze.
Zakres częstotliwości pracy linii mikropaskowej jest szeroki, od prądu stałego DC do 30 GHz dla układów hybrydowych, i do 500 GHz dla układów monolitycznych.
- Linie koplanarne
Niedogodnością struktury linii mikropaskowej jest konieczność wykonywania otworów w warstwie dielektryka zwierających pasek z warstwą metalizacji. Jest to szczególnie kłopotliwe w przypadku realizacji monolitycznych układów scalonych. Niedogodności tej nie ma całkowicie planarna struktura linii koplanarnej pokazana na rys.3.7b. W niektórych rozwiązaniach stosowane także dwuprzewodowe linie planarne – rys.3.7c.
Impedancje charakterystyczne zależy od podłoża i wymiarów linii i mogą być dobierane w szerokich granicach: dla linii mikropaskowej , dla linii koplanarnej , a dla linii dwuprzewodowej koplanarnej .
Dla potrzeb technologii mikrofalowych układów scalonych opracowano techniki wytwarzania planarnych rezystorów, kondensatorów, cewek indukcyjnych, a także diod i tranzystorów. W scalonych układach hybrydowych MIC elementy te montuje się na powierzchni układu, łączą je z paskami prowadnic falowych. W monolitycznych układach scalonych MMIC wszystkie elementy wykonuje się w procesach technologicznych na podłożu krzemu, albo arsenku galu.
- Podłoża linii planarnych
Jak wspomniano wyżej parametry linii planarnej, takie jak impedancja charakterystyczna, długość fali, straty zależą od rodzaju użytego dielektryka. Zestawienie typowych dielektryków i ich najważniejsze parametry zestawiono w Tabeli 3.2.
Tabela 3.2. Zestawienie właściwości podłoży prowadnic planarnych
Tabela 3.1: Pierwsze mody falowodu na pasmo X, o wymiarach: , .
| Podłoże | Zastosowania | ||
|---|---|---|---|
| - ceramika alundowa | 9,6 | 0,0001 | MIC |
| - kwarc | 3,8 | 0,00006 | MIC |
| Teflon | 2,1 | 0,00015 | MIC |
| - arsenek galu | 12,5 - 13 | 0,002 | MMIC |
| - krzem | 11,2 | 0,004 | MMIC |
Wśród nich najbardziej popularnymi są ceramika alundowa , płytki wykonane z kwarcu oraz teflon, niekiedy wymieszany z proszkiem alundowym.
Arsenek galu i krzem jako półprzewodniki samoistne o niewielkim poziomie domieszek nie są najlepszymi dielektrykami i wykonane na nich linie wykazują duże straty. Jednakże stosujemy je w układach monolitycznych, gdyż tylko na takim podłożu można wykonywać aktywne tranzystory.
- TŁUMIENIE PROWADNIC FALOWYCH
- Straty w liniach długich
Tłumienie mocy sygnału propagowanego prowadnicą falową zależy od trzech najważniejszych czynników:
- przewodności metalu, z którego wykonano przewody linii,
- strat materiału dielektrycznego wypełniającego częściowo lub w całości prowadnicę,
- strat mocy na promieniowanie.
Można więc w ogólnym przypadku zapisać współczynnik tłumienia następująco:
(3-14)
Gdzie reprezentują straty wywołane skończoną przewodnością metalu, to straty wywołane obecnością stratnego dielektryka, a reprezentuje straty wywołane promieniowaniem energi na zewnątrz linii.
Przyjmiemy, że linia TEM wypełniona jest dielektrykiem o przenikalności:
(3-15)
Dla linii współosiowej można oszacować straty następująco:
(3-16)
Jak widać rośnie proporcjonalnie do częstotliwości we wszystkich liniach TEM i quasi-TEM.
Ogólnie:
(3-17)
a stała proporcjonalności zależy od rozmiarów linii.
Straty spowodowane niedoskonałością przewodnika są duże i rosną z częstotliwością, ze względu na efekt naskórkowości. Jak nam wiadomo pole elektryczne nie wnika do doskonałego przewodnika, ale do niedoskonałego wnika, na pewną, niewielką głębokość - rys.3.8a.
![]() |
| |
|---|---|---|
| Rys.3.8. Zanikanie pola elektrycznego (a) i pradu (b) jako efekt naskórkowości. | ||
W rezultacie na powierzchni przewodnika płynie prąd, ale tylko w cienkiej warstwie o głębokości wnikania i szybko zanika w warstwach głębszych – rys.3.8b. Głębokość wnikania może być obliczona ze wzoru (3-18):
(3-18)
Na przykład dla miedzi , dla częstotliwości , głębokość wnikania jest niewielka i wynosi .
Rezystancja powierzchniowa Parser nie mógł rozpoznać (błąd składni): {\displaystyle R_s[\Omega/kwadrat]\} rośnie dla każdego przewodnika z częstotliwością , choć wolniej dla przewodników dobrze przewodzących (duża przewodność ):
(3-19)
Dla linii typu TEM składnik stałej tłumienia jest proporcjonalny do rezystancji :
(3-20)
Straty na promieniowanie można w przypadku falowodów pominąć, dla linii koncentrycznej także, chyba, że w kablu koncentrycznym przewód zewnętrzny wykonany jest z plecionki metalowej. Jednakże w liniach planarnych nie może być pominięty, choć jest trudny do oszacowania.
- Porównanie strat
Porównanie strat rozmaitych typów prowadnic falowych, zestawione na rys.3.9 prowadzi do przygnębiających wniosków: straty są duże.
| Rys.3.9. Tłumienie dla różnych typów
falowodów prostokątnych wykonanych z aluminium i srebra, oraz dla miedzianych kabli współosiowych, w funkcji częstotliwości. |
|
|---|
Można je pominąć w monolitycznych układach scalonych przy propagacji na odległość 1 mm, w układach hybrydowych przy propagacji na odległość 3 cm, w kablach współosiowych łączących aparaturę pomiarową pracującą w pasmie 1000 MHz na odległościach 1 metra. Ale w sieciach telewizji kablowej już nie można ich pominąć. Dodajmy, że w światłowodach kwarcowych straty są rzędu 0,2-0,4 dB/km. Aż trudno uwierzyć!
Pytania sprawdzające
(jeśli potrafisz na nie odpowiedzieć, to znaczy, że opanowałeś/aś materiał wykładu)
- Wymień i scharakteryzuj najważniejsze parametry prowadnicy falowej.
- Przypomnij sobie jakie mody mogą rozchodzić się w falowodach i scharakteryzuj je.
- Co to jest dyspersja, w jakich warunkach i dlaczego dyspersja utrudnia transmisję sygnału.
- Przeanalizuj przyczyny powstawania strat przy transmisji mocy prowadnicami falowymi.
- Na czym polega efekt naskórkowości?
- Opisz kolejno prowadnice typu TEM.
- Narysuj konfigurację pól E i H dla modu podstawowego i naszkicuj kierunki przepływu prądów w ściankach falowodu prostokątnego.
- Dlaczego nie stosujemy falowodów prostokątnych, dla których stosunek a/b=1?
- W jakim pasmie częstotliwości może pracować falowód prostokątny?
- W jakim pasmie może pracować falowód cylindryczny?
- Jak uzasadnisz fakt, że obwodem zastępczym odcinka falowodu prostokątnego jest odcinek linii dwuprzewodowej?
- Jak zbudowana jest i jakie ma właściwości prowadnica mikropaskowa?
- Jak zbudowana jest i jakie ma właściwości linia koplanarna?
- Jakie są obszary zastosowań linii współosiowej, linii mikropaskowej i falowodu prostokątnego? Aby to uzasadnić porównaj parametry wymienionych typów prowadnic.
- Wymień argumenty przemawiające za rozwojem technologii i konstrukcji Mikrofalowych Monolitycznych Układów Scalonych na krzemie i arsenku galu.
Słownik
Częstotliwość graniczna - częstotliwość powyżej której może się propagować fala w falowodzie. Poniżej tej częstotliwości fala jest silnie tłumiona.
Zestawienie typów fal:
- Fala typu TEM - wektory pola E i H leżą w płaszczyźnie prostopadłej do kierunku propagacji.
- Fala typu TE (zwana też H) - pole E posiada składowe tylko w płaszczyźnie prostopadłej do kierunku propagacji. Pole H posiada składowe w kierunku propagacji fali.
- Fala typu TM (zwana też E) - pole H posiada składowe tylko w płaszczyźnie prostopadłej do kierunku propagacji. Pole E posiada składowe w kierunku propagacji fali.
- Fala typu EH - zarówno pole E jak i pole H tej fali posiadają składowe w kierunku propagacji.
Linie TEM:
- Linia współosiowa.
- Linia dwuprzewodowa.
- Symetryczna linia paskowa.
Linie Quasi-TEM:
- Niesymetryczna linia paskowa:
- Linia koplanarna (falowód koplanarny).
- Linia koplanarna paskowa.
Linie falowodowe:
- Falowód prostokątny. Mod podstawowy typu TE10 (H10).
- Falowód kołowy (cylindryczny). Mod podstawowy typu TE11 (H11).
Mod (rodzaj) podstawowy dla danego falowodu - to mod fali o najmniejszej
Bibliografia
- Bogdan Galwas. Miernictwo mikrofalowe, Wydawnictwa Komunikacji i Łączności, Warszawa, 1985, Rozdział 1, 2 i 3.
- Tadeusz Morawski, Wojciech Gwarek. Pola i fale elektromagnetyczne, Wydawnictwa Naukowo-Techniczne, Warszawa, 1998, Rozdział 1 do 8.
- Janusz Dobrowolski. Technika wielkich częstotliwości, Oficyna Wydawnicza Politechniki Warszawskiej, Warszawa, 1998 Rozdział 1 i 3.
- Stanisław Rosłoniec. Liniowe obwody mikrofalowe, Wydawnictwa Komunikacji i Łączności, Warszawa, 1999, Rozdział 2.















